Inhaltsverzeichnis
Automatikempfänger ESP
Automatikempfänger ESP; hergestellt von Rohde & Schwarz.
Beim Automatikempfänger ESP von Rohde & Schwarz handelt es sich um einen Scannerempfänger, der einen Frequenzbereich von 10 kHz bis weit in den UHF-Bereich hinauf abdeckt. In der Schweizer Armee wurde er als Suchempfänger als zentraler Bestandteil des SZUS eingesetzt; dieses Funküberwachungssystem des deutschen Herstellers Rohde & Schwarz wurde zur Funkaufklärung eingesetzt.
Technische Daten
- Frequenzbereich: 10 kHz - 30 MHz; 30 - 100 MHz; 100 - 700 MHz; 700 - 1300 MHz; mit optionalem Tuner II bis 2500 MHz
Stromversorgung
- Netzbetrieb: 115 / 125 / 220 / 235 V; 47 - 63 Hz
Dimensionen
- Steuerteil: 492 x 250 x 514 mm, 30.5 kg
- Tuner ESP-T1 (10 kHz - 1300 MHz): 492 x 205 x 514 mm, 25.4 kg
Zubehör
Bedienung
Der Automatikempfänger ESP besteht aus der Steuereinheit und einer Tunereinheit ESP-T1, welche den Bereich von 10 kHz bis 1300 MHz in vier Bereichen abdeckt; um noch den UHF-Bereich bis 2500 MHz abzudecken, ist der optionale Tuner ESP-T2 notwendig.
Die beiden Einheiten werden mit dem Netzkabel (zum gemeinsamen Einschalten), drei HF-Kabeln und einem Multipol - Steuerkabel verbunden.
Der Empfänger kann AM-, FM- und Pulssignale dekodieren, die Betriebsfrequenz kann mit dem Zifferntastenblock eingegeben oder mit einem UP-/DOWN - Knebelschalter abgestimmt werden. Dazu kann die ganze Funkanlage auch mit einer Steuerungssoftware gesteuert werden.
Wie bei einem modernen Scanner können Eckfrequenzen und Schrittweiten programmiert und ganze Bereiche überwacht werden. Mit der Software können Frequenzen von einer Liste bekannter Frequenzen ausgeblendet und interessierende Frequenzen vom Suchempfänger Abhorchplätzen zur weiteren Auswertung zugewiesen werden.
Technisches Prinzip
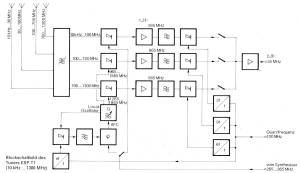
Der Empfänger ist als Dreifachsuper mit einer hohen ersten Zwischenfrequenz geschaltet, je nach Frequenzbereich liegt die erste Zwischenfrequenz bei 265, 565 oder 865 MHz. Die zweite Zwischenfrequenz von 35 MHz wird an das Steuergerät übergeben und dort nach einer Umsetzung auf die dritte ZF von 5 MHz nach Durchlaufen der Filterbank demoduliert.
Bestückung
Entwicklung
Der Automatikempfänger mit seinem extrem weiten Frequenzbereich und der Möglichkeit der Softwaresteuerung wurde gegen Ende der Neunzigerjahre von Rohde und Schwarz entwickelt.
Einsatz
In der Schweiz kam der ESP als Suchempfänger des SZUS, des Such- und Zuweisungssystems zur Funkaufklärung der Fliegertruppen, zum Einsatz.
Technische Unterlagen
- Rohde & Schwarz ESP, Techn. Handbuch
- die Bände I - III des Service - Handbuchs liegen mir vor, bei Bedarf anfragen (grosse Files)





