Inhaltsverzeichnis
Fk Ue G
Morse code training tone generator Fk Ue G; manufactured by Zellweger.
Zellweger developed a tone generator for Morse code training in the fourties, which was widely used for Morse code instruction in the Swiss army. The morse keys and headphones are connected at the back.
Technical data
Power supply
- Mains operation: 110, 150, 220 V
- Battery operation: Two plate batteries 60 V and heaters 4 - 6 V
Dimensions
- 220 x 180 x 210 mm, approx. 3 kg
The morse code training equipment for the signal platoons in the infantry regiment is stored in a big wooden crate. In addition to the tone generator, the crates contained a number of morse keys, distribution rails and headphones.
Accessories
- Headphones
- Distribution rails
Operation
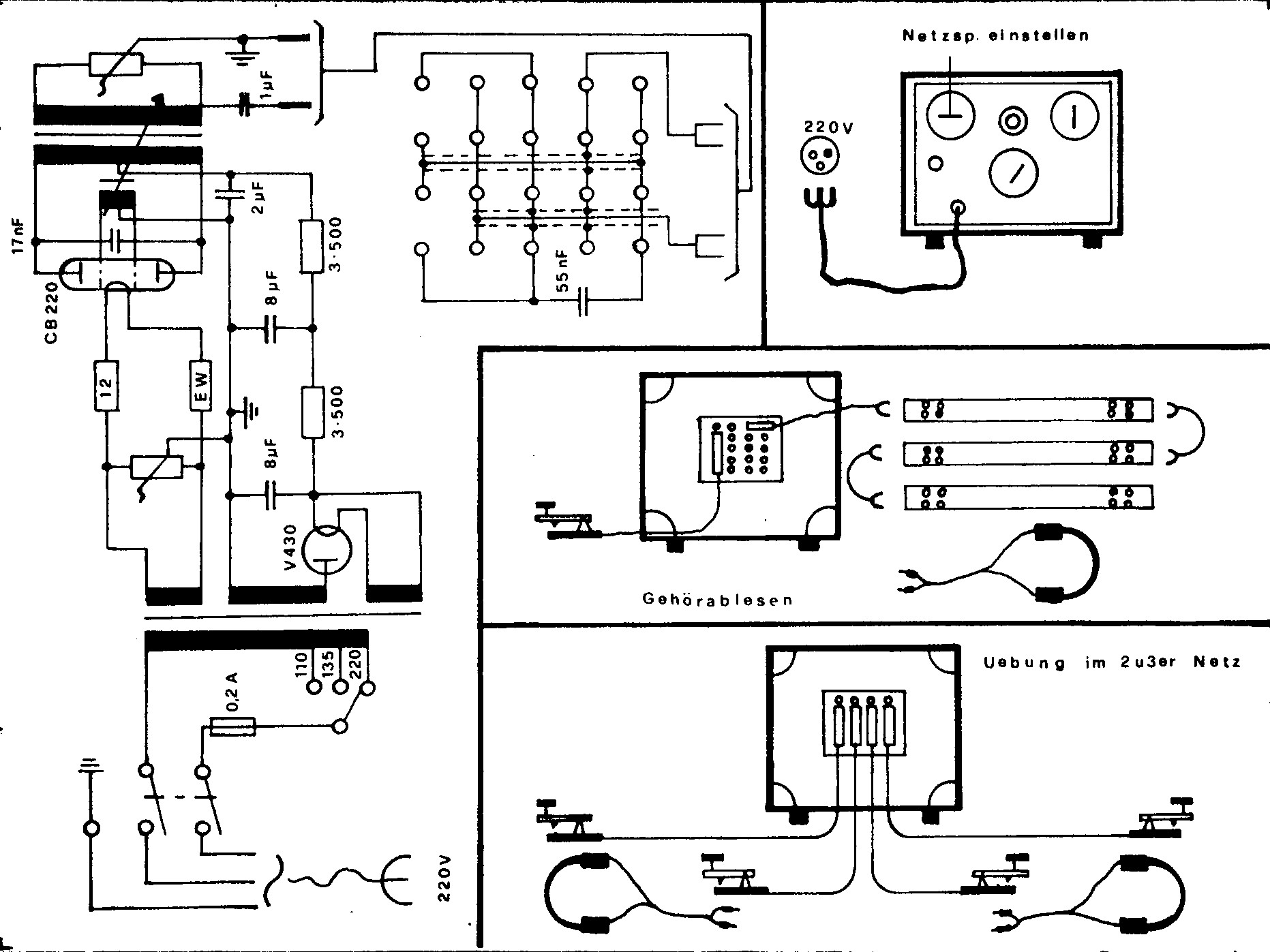
The main switch at the top right of the front panel is used to turn on the set in mains or battery mode; the rotary switch on the left can be used to select an alternative mains voltage if necessary. The rotary control in the centre is used to set the output power; the pitch of the output signal can be switched between 800 and 1500 Hz.
There are pairs of sockets on the back of the set; headphones are connected to the top sockets labelled H and the morse keys or distribution rails are connected to the lower sockets. Various circuits are listed in the regulations.
The original version of the Fk.Ue.G. set has a black front panel, on the front panel there are sockets for connecting anode and heater batteries next to the mains input.
The revised version has a grey front panel, this set also features battery and mains operation.
In the latest version, only mains operation is provided, the now permanently connected mains cable is led out at the front panel, a metal panel covers the row of former battery connectors.
Technical principle
Tube configuration
Development
The tone generator („tube buzzer“) Fk Ue G used for Morse training was developed by Zellweger. Later, the plate / heating battery connectors were deactivated and covered up and the set was converted to mains operation only.
Use
The morse training set for the radio platoon in an Inf Rgt includes a tube tone generator Fk Ue G, 12 morse keys, 12 double headphones, two short distribution rails and the cables required for operation.
The morse training equipment for teaching in infantry radio schools includes four Fk Ue G tone generators, 12 morse keys, 30 double headphones, five distribution rails and the cables required for operation.
The equipment set was used to train radio operators in infantry schools as well as radio operators in reserve courses in keying and receiving morse signals. Several students can pick up the teacher's keying signal, individual students can listen to their own keying signal (and the teacher can listen in) and networks of two to four can be formed.







