Inhaltsverzeichnis
P-700: PL39
Langwellenpeiler P-700 / PL 39, LP, Telefunken P 111 N, hergestellt von Telefunken.
Der von Telefunken Berlin entwickelte Langwellenpeiler wurde von Telefunken Zürich in Lizenz gefertigt, ab 1939 - 1945 wurden 26 Stationen beschafft, welche bis 1960 im Einsatz blieben.
Technische Daten
- Frequenzbereich: 75 kHz - 3,6 MHz in 5 Bereichen
- Peilgenauigkeit: 3° Minimumgenauigkeit
Stromversorgung
- Akku / Batteriebetrieb: zwei Heizakkumulatoren NiFe 4,5 - 6 Volt, vier Anodenbatterien 6230 à 30 Volt
Dimensionen
- Empfängertornister 354 x 370 x 220 mm, 23 kg
- Zubehörtornister 21 kg
- Stativ in Leinenbeutel 11.5 kg
- Rahmenanlage in Tülle 7.3 kg
- zwei Feldstühle à 3,5 kg
Das gesamte Stationsmaterial (Empfängertornister, Zubehörtonister, Arbeitsplatzstativ, Kreuzrahmenpeilantenne) wiegt 69,8 kg
Zubehör
- Zubehörtornister Z8N, enthaltend Peilantrieb mit Handrad, Peilkompass; Anodenbatterien und Heizakkumulator
- Peilantenne: faltbare Kreuzrahmenpeilantenne PR58N mit Stab-Hilfsantenne
Bedienung
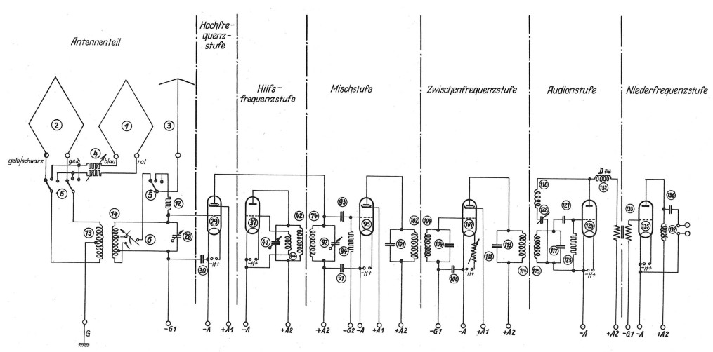
Der von Telefunken entwickelte Peilempfänger E383N / EP2N deckt einen Frequenzbereich von 75 kHz - 3,6 MHz ab.
Der Superhet-Empfänger mit einer ZF von 56 kHz ist mit drei Stück RES 093 und drei Stück RE 084 bestückt.
Er wird mit zwei 6V (hamfu.ch: 4,5 V) NiFe Heizakkumulatoren und vier 30 V Anodenbatterien versorgt.
Oben auf den Peilkopf des Geräts wird eine faltbare Kreuzrahmenpeilantenne PR58N mit einer Stabantenne als Hilfsantenne montiert. Zur Peilung wird ein Teil der Rahmenantenne eingesetzt, die im 90°-Winkel dazu stehende Antenne und die Stabantenne werden zusammen als Hilfsantenne zur Seitenbestimmung eingesetzt.
Die Peilanlage besteht aus dem Empfängertornister EP2N (23 kg), dem Zubehörtornister Z8N (mit Peilantrieb & Peilskala, Peilkompass, Heiz- und Anodenbatterien, dem Arbeitsplatzstativ Z7N und der Kreuzrahmenpeilantenne PR58N und bringt mit dem Zubehör 69,8 kg auf die Waage.
Sie wurde tragbar oder mobil auf einem Fahrzeug eingesetzt.
Technisches Prinzip

Der Peilempfänger E383N ist als Vorstufensuperhet mit einer Zwischenfrequenz von 56 kHz geschaltet, nach einer ZF-Verstärkerstufe erfolgt die Demodulation in einer Audionstufe, die NF-Endstufe liefert nur für Kopfhörerempfang ausreichende Ausgangsleistung.
Röhrenbestückung
V1 (RES094, HF-Vorstufe); V2 (RE084k, Überlagererstufe); V3 (RES094, Mischstufe); V4 (RES094, ZF-Stufe); V5 (RE084k, Audionstufe); V6 (RE084, NF-Endstufe)
Entwicklung
Die Peilanlage P 111 N wurde 1932/33 von der Telefunken AG, Berlin, entwickelt. Mit dem Kreuzrahmen kann mit einem aktiven Rahmen als Antenne die Peilung vorgenommen werden, mit dem zweiten rechtwinklig dazu montierten Rahmen und der Hilsantenne kann einfach die Seitenbestimmung vorgenommen werden.
Einsatz
Vom Langwellenpeiler 39 wurden insgesamt 24 Stück zu einem Stückpreis von 11'000.- Fr. beschafft.
Der LP 39 / P-700 kam bei der 1940 aufgestellten Fk Kp 7, die 1944 zur Mot Fk Kp 20 umbenannt wurde, zum Einsatz und wurde 1960 ausgemustert.
Einsatz im Flugplatz Dübendorf
Im Lehrfilm 214 Flieger - Grenzbesetzung des Armeefilmdienstes wird der Peiler LP 39 im Einsatz im Kontrollturm des Militärflugplatzes Dübendorf gezeigt.




















