Inhaltsverzeichnis
E-627
Kurzwellen - Empfangsanlage Autophon E-627; hergestellt von Autophon AG, Solothurn.
Als Nachfolger des Nachkriegsgerätes E44 entwickelte Autophon den E-627, der mit 444 Stück meistgebaute militärische Kurzwellenempfänger, der auch der letzte reine Allwellenempfänger aus Schweizer Produktion blieb.
Technische Daten
- Frequenzbereich: 1,5 - 32 MHz in sechs Bereichen (1,5 - 2,5 MHz; 2,5 - 4,1 MHz; 4,1 - 7 MHz; 7 - 11,5 MHz; 11,5 - 19,2 MHz und 19,2 - 32 MHz), geeichte Analogskala
Stromversorgung
- Netzbetrieb: 110, 125, 145, 220 und 250 V
- Akku / Batteriebetrieb: 6 resp. 12 V mit Zerhackerspeisegerät Z-627/1.
Dimensionen
- 510 x 270 x 260 mm, 19.8 kg, mit Holzkiste 46,6 kg
Das Gerät verfügt über ein grün-graues Metallgehäuse, bei aufgesetzem Frontdeckel sind sämtliche Bedienungselemente abgedeckt und somit vor Beschädigung geschützt, beim Betrieb kann der Deckel mit Schnappverschlüssen an der Geräterückwand angebracht werden. Die Frontplatte misst 44 cm, das Gerät 51 cm in der Breite, von Tragegriffen um jeweils 3cm überragt, mit den Gerätefüssen 27 cm in der Höhe, die Tiefe beträgt 26 cm. Das Gewicht von 19.8 kg entspricht in etwa dem, das von dem Röhrenempfänger aufgrund der Abmessungen erwartet wird, das Gerät ist zumindest durch eine Person trag-bar. Auch an der Frontplatte finden sich zu beiden Seiten zwei Tragegriffe, welche die Bedienungselemente etwas überragen und somit einen zusätzlichen Schutz verleihen.
Zubehör
Bedienung
Die Frontplatte gliedert sich zur Linken in drei Bereiche: oben Antenneneingänge und der Steckplatz für den Quarz - Fixfrequenzbetrieb, in der Mitte die Trommelskala und Bandschalter / Abstimmknopf und unten die Regler zur Beeinflussung der HF & NF - Signalverarbeitung. Die rechte Seite der Frontplatte dominiert der durch ein Drahtgitter geschützte Gerätelautsprecher und darunter Spannungswahlschalter, Netzschalter und die Eingangsbuchse für die Netzspannung. Abgedeckt daneben der Speisespannungseingang beim Betrieb mit Zerhacker.
Der Antenneneingang ist als SO 239 - Buchse ausgeführt, darunter liegt die Erdbuchse. Eine Umschaltung zwischen verschiedenen Antenneneingängen ist nicht vorgesehen, die Buchse ist allerdings problemlos auf der Frontplatte zugänglich. Links davon finden sich zwei BNC - Buchsen für Antenneneingang und erste Zwischenfrequenz, beide mit an Metallkettchen unverlierbar fixierten Deckeln versehen. Weiter zur rechten liegt ein rundes Drehspulinstrument, als S-Meter gibt es die Signalstärke an, wobei zu beachten ist, dass die Skala von 0 - 10 reicht und der Vollausschlag links liegt. Das Instrument lässt sich zur Bestimmung der Anodenspannung und zur Anzeige der Oszillatorspannung von V3 umschalten, dadurch ist im Fixfrequenzbetrieb eine Abstimmung des Geräts ohne empfangenes Trägersignal möglich.
Darunter liegt die Trommelskala, und unter dieser zur linken der grosse und griffige Bandbereichsschalter, rechts der Abstimmknopf. Ein erheblicher technischer Abstrich am E 627 ist der nicht lineare Frequenzgang. Die Wellenbereiche 1,5 - 2,5 MHz, 2,5 - 4,1 MHz, 4,1 - 7 MHz, 7 - 11,5 MHz, 11,5 - 19,2 MHz und 19,2 - 32 MHz lassen sich wählen. Der wuchtige Trommeltuner wird direkt durch die Bereichsschalterachse betätigt und ist längs im Gerät angeordnet, mittels Seilzügen erfolgt die Übertragung auf die Walze mit den verschiedenen Frequenzskalen. Die konventionelle Technik mit dem nicht linearen Frequenzgang bedingt, dass die Ablesegenauigkeit in den tieferen Frequenzbereichen wesentlich besser als auf den hohen Frequenzen ist. Auf der gesamten Skalenlänge wird im ersten Wellenbereich ein Spektrum von einem Megahertz überstrichen, was eine Ablesegenauigkeit von 5 kHz ergibt. Dagegen werden auf dem höchsten Wellenbereich Segmente von 1 MHz auf jeweils 10 mm überstrichen, die Frequenz lässt sich hier bestenfalls um 50 kHz schätzen.
Beim Abstimmen macht sich bemerkbar, dass die Abstimmung auf 1 kHz in höheren Frequenzbereichen Fingerspitzengefühl benötigt. Um zum nächsten Band kurbeln zu können, verfügt der Abstimmungsknopf über eine Griffmulde. Eine lineare Log-Skala und eine 1 : 100 Teilung am Drehknopf ermöglichten zusammen mit einer jeweils vom Operateur zu erstellenden Frequenztabelle eine ausreichende Wiederkehrgenauigkeit auch schon vor der Frequenzzähler - Ära. Die Frequenzdrift ist gering, wenn das Gerät über 30 Min. seine Betriebstemperatur gehalten hat. Eine mechanische Blockierung des Abstimmknopfes um ein unbeabsichtigtes Verstimmen im Betrieb zu verhindern, findet sich an mehreren Profiempfängern, die im vergleichbaren Zeitraum gebaut wurden, einzigartig die stufenlos regelbare Intensität der Skalenbeleuchtung.
In der untersten Reihe finden sich die Regler für den Signalweg: an einem Schalter „Anti-Fading“ lässt sich die AGC einschalten, gleich daneben der Regler für den RF-Gain, mit „Empfindlichkeit“ bezeichnet. Rechts davon der Drehschalter für den „Telegraphie - Überlagerer“, den BFO, der den CW - und mit Abstrichen auch SSB - Empfang erlaubt. Weiter daneben der Bandbreitenschalter. Neben den Stellungen „Breit“ (+/- 3,5 kHz) und „Schmal“ (+/- 2 kHz) lässt sich mit der Stellung „Filter“ ein schmales +/- 100 Hz Telegraphiefilter schalten. Nur in dieser Stellung ist der Regler „Kristallfilter“ wirksam, es besitzt eine eindrückliche Notchfunktion um ein benachbartes CW-Signal oder einen störenden Träger auszublenden. Wenn auch nicht ganz so gut ist bei leichter Verstimmung das schmalbandige Filter in Kombination mit dem „Kristallfilter“ auch beim AM-Empfang nutzbar, um beispielsweise im Tropenband missliebiges Utility-QRM loszuwerden. Ganz rechts liegt der Lautstärkeregler, darüber ist ein Empfang / Standby - Schalter angebracht, zusammen mit einem passenden Sender konnte im Transceive-Betrieb gearbeitert werden. Noch ein kleines Extra rundet den Rundgang auf der Frontplatte des E - 627 ab: von den Kopfhörerbananenbuchsen schaltet ein Paar bei Benutzung automatisch den Gerätelautsprecher aus. Unterhalb des Lautsprechers ist im Originalzustand die Stationsuhr eingebaut; da einige der Uhren neue Besitzer fanden, kommen viele der Empfänger ohne die (mit leicht radioaktiven Leuchtziffern versehene) Uhr auf den Markt.
Technisches Prinzip

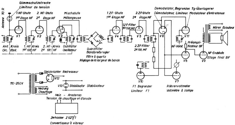
Vom Antenneneingang resp. dem 70 Ohm-Koax-Eingang gelangt das Signal, Überspannungen werden durch eine Glimmlampe abgeleitet, über zwei HF-Verstärkerstufen auf die Mischstufe (ECH42), das Triodensystem arbeitet als selbsterregter oder quarzgesteuerter Oszillator (die Quarzfrequenz muss 455 kHz über der gewünschten Empfangsfrequenz liegen). Die im Mischer generierte Zwischenfrequenz von 455 kHz durchläuft zwei ZF-Verstärkerstufen (EAF42, EAF42), hier wirken das schmale und breite ZF-Filter und das Quarzfilter. Die Demodulatorröhre (EB41) wirkt auch als Störbegrenzer), mit dem Signal des BFO (EF43) ist CW- resp. Einseitenbandempfang möglich. Eine ZF-Begrenzerstufe (EAF42) ist auf der ZF wirksam und stellt das Signal zum FSK-Fernschreibbetrieb an der F1-Buchse (unterhalb des Koax-Antenneneingangs) bereit. Die Niederfrequenz vom Demodulator wird in einem zweistufigen NF-Verstärker auf eine Ausgangsleistung von 1,5 Watt am 15 Ohm-Lautsprecher verstärkt.
Röhrenbestückung
V1 (EF43, 1. HF-Vorstufe); V2 (EAF42, 2. HF-Vorstufe); V3 (ECH42, Mischstufe, Oszillator); V4 (EAF42, 1. ZF-Stufe); V5 (EAF42, 2. ZF-Stufe); V6 (EB41, Demodulation, Störbegrenzer); V7 (EAF42, Röhrenvoltmeter); V8 (EAF42, NF-Vorstufe); V9 (EL42, NF-Endstufe); V10 (EAF42, FM-Limiter); V11 (EF43, Telegraphieüberlagerer / BFO).
V12 (EZ40, Netzgleichrichter), V13 Stabilisator 150C1.
Entwicklung
Als Nachfolger des E44 entwickelte Autophon einen Nachfolger, der ebenfalls als Einfachsuper mit Trommeltuner ausgeführt war, allerdings dank des einfachen Blechchassis preisgünstiger im Aufbau war, Das Netzspeisegerät war gleich eingebaut, Akkumulatorbetrieb nur noch mit einem externen Zerhacker-Speisegerät Z-627 möglich.
Das Gerät wurde 1950/51 entwickelt, parallel wurde es von Autophon unter der Werksbezeichnung E76 für zivile Anwender und die PTT vermarktet. Eine VHF-Version mit prinzipiell gleichem Aufbau als Nachfolger des nie in Serie gegangenen E46 war der E-628 resp. als Zivilversion E77.
Praktisch sämtliche militärischen Geräte wurden gemäss Weisung der KMV 1974 modifiziert, indem das Abstimminstrument auch zur Messung des Gitterstroms der Oszillatorröhre V3 umgeschaltet werden konnte. Damit war die Abstimmung des Geräts bei Quarzbetrieb auch ohne Aussendung eines Trägersignals möglich.
Einsatz
Zwischen 1954/57 gelangten 444 Geräte zur Truppe, der Empfänger war der Standardempfänger in den Funker- und Fliegerfunktruppen und wurde auch als Stationsempfänger auf den Grossstationen G1,5K / SE-302, M1K / SE-403 und SE-406 eingesetzt. Die Liquidation erfolgte 1981, der Empfänger ist noch in erheblichen Stückzahlen verfügbar und taucht regelmässig auf Funkflohmärkten oder Online-Auktionen auf.














