Inhaltsverzeichnis
Drake T - 4XB
Hergestellt von R. L. Drake.
Im Jahre 1967 brachte Drake den Sender T - 4XB, der die Amateurfunkbänder von 80 - 10 m und 10 bequarzbare zusätzliche Bereiche von 500 kHz Breite abdeckt, auf den Markt.

Bild mit bestem Dank von Ottmar Rollmann - Image by courtesy of Ottmar Rollmann.
Technische Daten
- Frequenzbereich: 5 Amateurfunkbänder (80 - 10 m) & 4 bequarzbare 500 kHz - Bereiche
Stromversorgung
- Netzbetrieb: 120 / 240 V
Dimensionen
- 273 x 140 x 311 mm, Gewicht 6.4 kg
Zubehör
Bedienung
Das Gehäuse des 6.4 kg schweren Senders aus schwarzem gelochtem Stahlblech misst 14 x 27,3 x 29,7 cm.
Im hellgrau gefärbten oberen Teil der Frontplatte liegen neben dem Messinstrument für den Anodenstrom die Regler zur Abstimmung des Senders und daneben die Abstimmung.
Im unten liegenden dunkelgrau eingefärbten Teil der Frontplatte liegen zuäusserst links übereinander die HF-Abstimmung und der Wählschalter für die sechs Amateurfunkbänder. In der Mitte liegt der Mikrophonregler, der mit dem Hauptschalter kombiniert ist, darunter der Betriebsschalter. Rechts daneben liegen der Funktionsschalter mit den Positionen zum Abstimmen (TUNE), CW, SSB und AM und darüber der Seitenbandwahlschalter. In der rechten unteren Ecke befindet sich der Wahlschalter für den Normalbetrieb und die vier Quarzpositionen.
Zum Betrieb zusammen mit dem Empfänger sind die Buchsen INJ. auf den Geräterückseiten mit einem Chinch-Kabel miteinander zu verbinden.
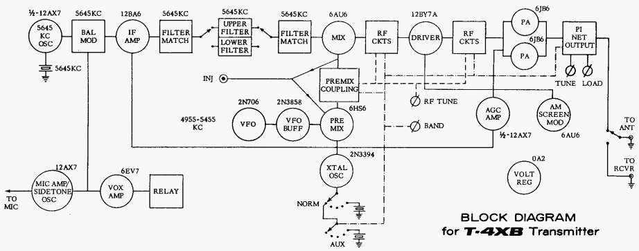
Technisches Prinzip

Das Mikrophonsignal wird von einer 12AX7 verstärkt und mit einem 5645 kHz - Oszillatorsignal (1/2 12AX7) gemischt. Die Zwischenfrequenz von 5645 kHz wird verstärkt (12BA6) und der Mischstufe (6AU6) zugeführt.
Dort wird das Signal mit dem Signal des VFO (4955 - 5455 kHz) vom Pre-Mixer (6HS6) gemischt und die HF der Treiberstufe (12BY7) zugeführt. Das HF-Signal wird der HF-Endstufe mit zwei 6JB6 zugeführt und gelangt dann auf das Pi-Antennenanpassung.
Bestückung
Das Gerät ist teils mit Röhren und teils halbleiterbestückt.
Technische Unterlagen
Einsatz
Der Amateurfunksender Drake T-4XB mit der Endstufe L-4B kam in der Schweiz in den Morsestationen des Botschaftsfunks zum Einsatz, in den Nebenstationen wurden Meldungen weiterhin in Morsetelegraphie übermittelt.
