Inhaltsverzeichnis
SE-302: G1.5K
Grosse 1.5 kW Kurzwellen-Funkstation, G1,5K oder B-Station; hergestellt von C.Lorenz AG.
Die Grosse Kurzwellen - Funkstation G1,5K, von den Funkern auch „anderthalb-K“ oder „Grossmutter“ genannt, war die zweite Kurzwellen- Grossstation, welche bei der Schweizer Armee zum Einsatz kam. Die amplitudenmodulierte Kurzwellenstation mit 1,5 kW Ausgangsleistung wurde um 1935 von der C. Lorenz AG in Berlin - Tempelhof entwickelt und 1937 - 1943 von der Standard Telephon & Radio AG in Zürich gebaut.
Sie bildete über viele Jahre das Rückgrat des schweren Kommandofunkverkehrs bei der Übermittlungs- und Fliegernachrichtentruppe. Bei der Fliegertruppe war die Station als B-Station eingeführt.
SE-302 Stationsmaterial: Versuch eines Überblicks über das Material der verschiedenen Konfigurationen.
Technische Daten
-
- Empfänger Stationen 1 - 6 und B-Stationen: Lorenz EO 509/I (E-622) (ab 1938): Geradeausempfänger, 15 kHz - 20 MHz
- Empfänger Stationen 1 - 6 und B-Stationen: Autophon E44 (E-602): Einfachsuperhet, 100 kHz - 37,5 MHz
- Frequenzbereich: Sende-Empfangsbetrieb 1090 - 6700 kHz
Stromversorgung
- Benzingenerator: Einachsanhänger (sog. Maschinenwagen) mit Drehstrom - Generator (380 V, 50 Hz, 15 kVA) zum Betrieb mit Benzinmotor 22 PS
- Netzbetrieb: 380 / 220 V Drehstrom
Dimensionen
- Stationswagen 700 x 208 x 320 cm, 6370 kg
- Maschinenwagen (mit Generator) 390 x 177 x 180 cm, 2200 kg
- mit Zugfahrzeug FBW 5 To. Gesamtlänge 18,4 m
Zubehör
- Antennenmaterial: Üblicherweise wurde die G1,5K / SE-302 an einer selbstschwingenden 25 m - Teleskopantenne betrieben, die auf dem Dach des Stationswagens aufgerichtet wurde. Der Antennenmast kann auch auf einem Isolatorfuss bis 5 m vom Wagen abgesetzt betrieben werden. Als Empfangsantennen konnten die Wagenantenne oder eine Langdrahtantenne zum Einsatz kommen.
abgelöst durch
- Schnelltelegraphie: Schnelltelegraphieanlage MFA von Moser Baer
Stationsmaterial
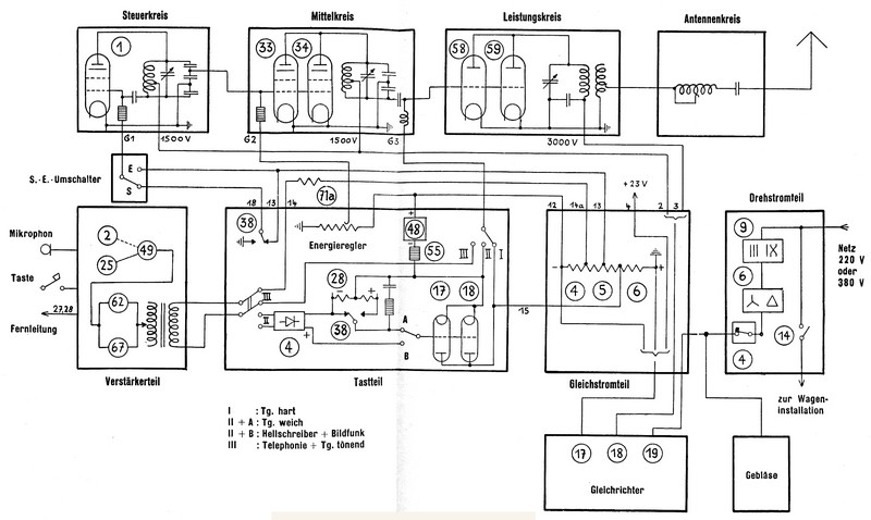
Der dreistufige Lorenz - Sender ist in vier Teilbereichen mittels Drehkondensatoren durchstimmbar, alle Kreise laufen im Gleichlauf; die Antennenabstimmung erfolgt mittels Schleifdraht - Variometern.
Der Sender deckt die Bereiche 1090-1930 / 1930-3430 / 3430-4830 und 4830 - 6700 kHz ab, die Skalengenauigkeit beträgt 1 %o, ein Leuchtquarz erlaubt die Eichung auf 3000 kHz.
Die Station erreicht eine Ausgangleistung von 1500 W in Telegraphie tonlos (A1) und 500 Watt in Telegraphie tönend und Telephonie.
Als Empfänger kam zunächst in den ersten 14 Stationen der Zweikreis - Geradeaus - Allwellenempfänger EO509/I der C.Lorenz AG zum Einsatz, der mit Batterien betrieben wird. Wegen ungenügender Empfindlichkeit vor allem in der etwas diffizileren Betriebsart Hellschreiben wurde in den Stationen ab No. 15 der Allwellenempfänger "Uster" / E41 eingesetzt.
1956 wurde die Station G1,5K aufgerüstet, mit dem neuen Stationsempfänger Autophon E-627 und dem Telecrypto 53 / ETK war automatisierter verschlüsselter Fernschreibbetrieb möglich. Die Übermittlung litt oftmals unter Synchronisationsstörungen, welche die Entschlüsselung aus dem Takt brachte. Auch der Ersatz des Stationsempfängers durch den Siemens E-311 / E-645 verbesserte die Situation nicht wesentlich, erst mit Einführung des Krypto-Funkfernschreibers 58 mit der automatischen Synchronisierung vereinfachte sich der automatische Schlüsselbetrieb erheblich.
In der Zeit der Einführung der G1,5K war eine Übermittlung nicht nur in Telegraphie oder amplitudenmodulierter Telephonie sondern auch mit dem Hellschreiber vorgesehen. Der von Siemens entwickelte Hell-Schreiber übermittelt als Streifen - Quasi-Faksimileschreiber direkt ablesbaren Klartext. Die technischen Anforderungen an das Verfahren mit der durch die Ausbreitungsbedingungen oftmals unsicheren Kurzwellenverbindung stellten hohe Anforderungen an das Bedienpersonal, welche von diesem oftmals nicht erfüllt werden konnten.
Noch während der Aktivdienstzeit wurde deshalb die Betriebsart Hell wieder aufgegeben und stattdessen auf die automatisierte Schnelltelegraphie Moser-Baer umgestellt, da die Morsekenntnisse und Gebe-/Lesegeschwindigkeit im Milizpersonal sich zu oft als ungenügend herausgestellt hatten. Die Schnelltelegraphie erlaubte zwar die raschere Übermittlung der Nachrichten, das Lesen der gedruckten Morsestreifen erforderte allerdings wiederum gute Morsekenntnisse. Mit geübtem Gehörlesen von Morsezeichen erreichten geübte Funker mindestens gleich gute Ergebnisse, wie die automatisierte Schnelltelegraphie, so dass auch dieser Betriebsart kein grosser Erfolg beschieden war.
Der Durchbruch kam 1955/56, als die Station mit der Funkfernschreibanlage ETK der Dr. E. Gretener AG umgestellt, welche in Zusammenwirken mit dem Telecrypto 53 aus dem gleichen Hause sogar automatisierten verschlüsselten Fernschreibverkehr erlaubte.
Allerdings fiel die Synchronisation der Entschlüsselung infolge von Ausbreitungsstörungen zu häufig aus dem Takt, so dass eine Meldung nochmals übermittelt werden musste. Es wurde versucht, diesen Umständen durch Einsatz des Kurzwellenempfängers Siemens E-311 (E-645) zu begegnen, der mit seinen besseren Einseitenbandempfangsqualitäten die Situation bei optimaler Frequenz- und Antennenwahl und mit geschultem Stationspersonal zu verbessern vermochte.
Wesentlich weniger aufwendig gestaltete sich die verschlüsselte Kommunikation mit dem „Leichtgewicht“ SE-222 / KFF-58 aufgrund der überragenden SSB-Tauglichkeit und dem automatischen Synchro-Betrieb, diese Station löste die alten Grossstationen in vielen Anwendungsbereichen ab.
Technisches Prinzip
Im Sender arbeitet im Steuerkreis eine Röhre RS337, im Mittelkreis zwei RS337, im Leistungskreis zwei RS329g, im Modulations- und Tastteil zwei RS282 und drei Gleichrichterröhren RGN2504, im (Mikrophon-)Verstärkerteil zwei RS282 und drei Stück RE084k.
Bezüglich der Schaltungstechnik in den verschiedenen eingesetzten Empfänger, vgl. die entsprechenden Artikel.
Röhrenbestückung
Siehe oben.
Entwicklung

Die Grosse Kurzwellen - Funkstation G1,5K wurde von der C. Lorenz AG, Berlin, um 1933/34 entwickelt und 1935/37 von der Standard Telephon & Radio AG in Zürich gefertigt. Insgesamt wurden 34 (Ritter schreibt von 27) Stück beschafft und den Übermittlungstruppen als G1,5K und den Fliegertruppen als sogenannte „B Station“ übergeben.
Drei der 34 Stationen waren ortsfest in Festungen installiert.
Nach der Dokumentation „Funkstationen der Armee“ war der G1,5K nicht nur die Bezeichnung SE-302 sondern auch SE-305 zugeordnet, es ist unklar, welche Typenunterschiede die beiden Bezeichnungen ausmachen.
Einsatz
Die G1,5K / SE-302 blieb jahrzehntelang im Dienst und wurde nach diversen Aufrüstungen erst 1970 ausser Dienst gestellt und durch die Funkfernschreibstation SE-415 abgelöst. Bei den Fliegernachrichtentruppen wurde die B-Station nach der Verlegung des Flugfunks ins VHF-Band bereits 1946 ausser Dienst gestellt.















